|
一、总体情况
(一)主动公开情况。2025年,编制完善主动公开事项目录标准体系,依托政府网站和政务新媒体,聚焦重点领域政府信息,全流程提升政府工作透明度。2025年,通过金口河区人民政府网站主动公开政府信息3046条,通过全区11个政务新媒体主动公开信息8457条。
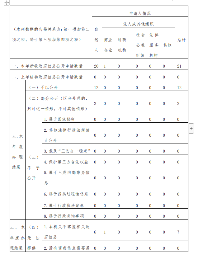
(二)依申请公开办理情况。按省市《政府信息依申请公开办理操作指南》工作要求,继续指导相关部门落实好依申请公开办理流程,严格依申请公开审核把关机制,从根源上认真研究分析解决群众诉求,切实提升群众幸福感。做好依申请公开登记、审核、办理、答复、归档工作。2025年收到依申请公开21件,均依法依规办理完毕,办结率100%。其中予以公开12件,部分公开2件,本机关不掌握相关政府信息7件。依申请公开引起的行政复议3件,无复议后起诉行为。
(三)政府信息管理情况。参照《四川省人民政府办公厅公文公开属性认定管理办法》,严格执行信息审核、发布、清理机制,确保政府信息管理安全、规范。2025年,规范发布规范性文件3件,现行有效规范性文件数7件,做到重大政策、重要文件宣传全到位、解读全覆盖,2025年公开政策文件及其解读24条,切实增强群众知晓率和满意度。
(四)政府信息公开平台建设情况。按时完成金口河区数字政府、涉企行政检查公示、学习贯彻党的二十届四中全会精神和区人大常委会等专栏建设。严格按照中央、省、市网信办工作安排,精心部署、积极备战,认真组织队伍参与川南六市、西南五省等网络安全攻防演练,通过实战演练,进一步提升网络安全实战水平,筑牢网络安全防线。加强与联通公司、铭宇科技和市大数据中心的沟通协调,积极做好政府门户网站信创改造数据迁移的准备工作。积极协调配合华为、中标麒麟和金格等公司,确保及时完成国产信创计算机电子政务外网准入控制VPN和金格签章组件的安装使用。
(五)监督保障情况。按照《四川省人民政府信息公开办公室<关于优化调整政府网站与政府系统政务新媒体检查指标、监管工作年度考核指标>的通知》(川府公开办函〔2025〕6号)要求,落实好我区政府信息公开监督机制,畅通群众意见建议反馈渠道,正确、及时处理群众诉求。不定期开展政府信息公开工作培训,对发布信息出现严重错情且未及时整改到位的责任人和分管领导实行约谈等责任追究,消除不按规定程序、不按时间要求等问题,依法依规开展政府信息公开工作,确保政府网站健康有效运行。
二、主动公开政府信息情况


三、收到和处理政府信息公开申请情况


四、政府信息公开行政复议、行政诉讼情况

五、存在的主要问题及改进情况
2025年全区政府信息公开工作取得了一定成效,但仍存在一些问题。一是部分政务新媒体运营不主动、不积极,始终要在监督催促下更新发布内容等问题。二是政策解读工作落实不到位。存在文件政策解读形式单一等问题。
下一步,金口河区将持续深入贯彻落实《中华人民共和国政府信息公开条例》,统筹开展政府信息公开工作,以更高质量服务群众。一是强化政府信息公开队伍。定期围绕政府信息公开相关政策法规和业务知识开展培训,提升工作人员业务能力,保障信息公开工作换人不断档;二是严格落实文件解读工作。指导相关单位创新推出多元化方式深入解读政策文件,让群众能够通过通俗易懂的方式了解政策内容。
六、其他需要报告的事项
本年度无其他需要报告的事项,未收取政府信息公开信息处理费用。
本报告中所列数据的统计时间为2025年1月1日至2025年12月31日。如需了解更多政府信息,请登录查询金口河区政府网站网址为http://jkh.gov.cn/。
乐山市金口河区人民政府
2026年1月13日
扫一扫在手机打开当前页
|